Запрос отправлен!
Close button
Ваш запрос успешно отправлен.
Наш менеджер свяжется с вами в течение 15 минут.

Контакты

телефон/факс

+7 (495) 374-69-52

email

sales@cryotrade.ru

Для заказа криогенных жидкостей

+7 (495) 374-69-53

Напишите нам

Close image
Тема
Сообщение
Дополнительные файлы
Телефон и почта

Телефон/факс

+7 (495) 374-69-52

EMAIL

sales@cryotrade.ru

Для заказа криогенных жидкостей

+7 (495) 374-69-53

Запрос отправлен!
Close button
Ваш запрос успешно отправлен.
Наш менеджер свяжется с вами в течение 15 минут.

Запросить коммерческое предложение

Выбранная позиция
waiting...
Контактные данные
Сообщение

Винты точной регулировки: 07FS001-004

Печать страницы
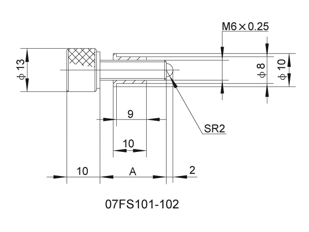
Набор винтов тонкой регулировки серии 07FS включает в себя прецизионные абразивные винты из нержавеющей стали и медные втулки. Сверхтонкая резьба M6×0.25 обеспечивает более точную регулировку, чем обычные микрометры, в условиях, когда нет необходимости количественной настройке. Эта серия регулировочных винтов взаимозаменяема с микрометрами. Набор обеспечивает исключительное удобство, стабильность и долговечность.

Производитель

JK stage

  • Возникли вопросы?

Описание

Набор винтов тонкой регулировки серии 07FS включает в себя прецизионные абразивные винты из нержавеющей стали и медные втулки. Сверхтонкая резьба M6×0.25 обеспечивает более точную регулировку, чем обычные микрометры, в условиях, когда нет необходимости количественной настройке. Эта серия регулировочных винтов взаимозаменяема с микрометрами. Набор обеспечивает исключительное удобство, стабильность и долговечность.

Шаг: 0.25 мм. Чувствительность: 0.0005 мм

Характеристики

Модель Шаг (мм) A (мм) B (мм) C (мм)
07FS001 6 10 20 13
07FS002 13 10 27 13
07FS003 25 20 39 10
07FS004 50 20 64 10

Чертежи

Возникли вопросы ?

По вопросам, связанным с приобретением криостатов, проработкой проектов, пробным тестированиям образцов, получением дополнительной информации обращайтесь к менеджерам компании ООО "Криотрейд инжиниринг".

Дополнительные файлы
По вопросам, связанным с приобретением криостатов, проработкой проектов, пробным тестированиям образцов, получением дополнительной информации обращайтесь к менеджерам компании ООО "Криотрейд инжиниринг".

© 2008 — 2026 ООО «Криотрейд инжиниринг»

Любое коммерческое использование представленных на сайте материалов без ведома и прямого письменного разрешения Компании ООО «Криотрейд инжиниринг» не допускается и будет преследоваться согласно российскому и международному законодательству.

Используем cookies

Мы используем файлы cookies для улучшения работы сайта и повышения удобства пользователей.
Подробнее…

Согласие на обработку cookie

Настоящим, продолжая работу на Сайте https://ph.cryotrade.ru/, я даю свое согласие Обществу с ограниченной ответственностью «Криотрейд инжиниринг» (ИНН 7733250163, ОГРН 1157746856519) на автоматизированную обработку моих персональных данных (файлы cookie, сведения о действиях, которые я совершаю на Сайте, сведения об используемых для этого устройствах), путем совершения следующих действий: сбор, запись, систематизация, накопление, хранение, уточнение (обновление, изменение), извлечение, использование, блокирование, удаление, уничтожение.

На Сайте используются следующие типы файлов cookie:

  • 1. Технические файлы cookie: необходимы для корректной работы Сайта и сервисов. Позволяют определять аппаратное и программное обеспечение устройства Пользователя; выявлять ошибки при работе Сайта; тестировать новые функции для повышения производительности.
  • 2. Аналитические файлы cookie: позволяют подсчитывать количество Пользователей; определять действия (посещаемые страницы, время и количество просмотров). Сбор данных осуществляется через партнеров, в том числе Google Analytics, Yandex Metrika.
  • 3. Рекламные файлы cookie: помогают анализировать, из каких источников Пользователь перешел на Сайт, а также персонализировать рекламные сообщения.

Срок хранения файлов cookie зависит от типа, но в любом случае не превышает срока, необходимого для достижения целей обработки персональных данных.

При посещении Сайта Оператор запрашивает согласие Пользователя на использование файлов cookie. Обработка данных осуществляется в целях улучшения работы Сайта и совершенствования сервисов. Настоящее согласие действует с момента предоставления и в течение всего периода использования Сайта.

В случае отказа от обработки данных я проинформирован о необходимости прекратить использование Сайта или отключить файлы cookie в настройках браузера.