Запрос отправлен!
Close button
Ваш запрос успешно отправлен.
Наш менеджер свяжется с вами в течение 15 минут.

Контакты

телефон/факс

+7 (495) 374-69-52

email

sales@cryotrade.ru

Для заказа криогенных жидкостей

+7 (495) 374-69-53

Напишите нам

Close image
Тема
Сообщение
Дополнительные файлы
Телефон и почта

Телефон/факс

+7 (495) 374-69-52

EMAIL

sales@cryotrade.ru

Для заказа криогенных жидкостей

+7 (495) 374-69-53

Запрос отправлен!
Close button
Ваш запрос успешно отправлен.
Наш менеджер свяжется с вами в течение 15 минут.

Запросить коммерческое предложение

Выбранная позиция
waiting...
Контактные данные
Сообщение

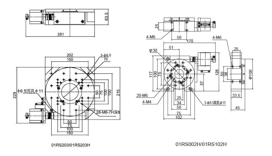
Моторизированная прецизионная поворотная подвижка 01RS002H/01RS102H/01RS203/01RS203H

Печать страницы
Качественные и многофункциональные  моторизированные поворотные подвижки.

Производитель

JK stage

Документация
  • Возникли вопросы?

Описание

  • Привод от шагового двигателя, автоматический контроль и регулировка угла;
  • Точная многозубчатая червячная передача, свободное вращение вперёд/назад;
  • Перекрестный роликовый подшипник, обеспечивающий высокую точность и увеличивающий прочность;
  • Возможна установка нулевого фотоэлектрического выключателя.

Характеристики

Модель 01RS002H 01RS102H 01RS203 01RS203H
Диаметр (мм) 100 100 200 200
Передаточное отношение 180∶1 45∶1 180:1 90:1
Разрешение (8 секций) 0.00125° 0.004° 0.00125° 0.0025°
Повторяемость <0.005° <0.005° <0.004° <0.004°
Макс. скорость 25°/c 90°/c 25°/c 50°/c
Шаговый мотор 2 фазы 2 фазы 2 фазы 2 фазы
Макс. нагрузка на центр 60 кг 60 кг 120 кг 110 кг
Масса 1.8 кг 1.8 кг 8.5 кг 8.5 кг

Чертежи

Возникли вопросы ?

По вопросам, связанным с приобретением криостатов, проработкой проектов, пробным тестированиям образцов, получением дополнительной информации обращайтесь к менеджерам компании ООО "Криотрейд инжиниринг".

Дополнительные файлы
По вопросам, связанным с приобретением криостатов, проработкой проектов, пробным тестированиям образцов, получением дополнительной информации обращайтесь к менеджерам компании ООО "Криотрейд инжиниринг".

© 2008 — 2026 ООО «Криотрейд инжиниринг»

Любое коммерческое использование представленных на сайте материалов без ведома и прямого письменного разрешения Компании ООО «Криотрейд инжиниринг» не допускается и будет преследоваться согласно российскому и международному законодательству.

Используем cookies

Мы используем файлы cookies для улучшения работы сайта и повышения удобства пользователей.
Подробнее…

Согласие на обработку cookie

Настоящим, продолжая работу на Сайте https://ph.cryotrade.ru/, я даю свое согласие Обществу с ограниченной ответственностью «Криотрейд инжиниринг» (ИНН 7733250163, ОГРН 1157746856519) на автоматизированную обработку моих персональных данных (файлы cookie, сведения о действиях, которые я совершаю на Сайте, сведения об используемых для этого устройствах), путем совершения следующих действий: сбор, запись, систематизация, накопление, хранение, уточнение (обновление, изменение), извлечение, использование, блокирование, удаление, уничтожение.

На Сайте используются следующие типы файлов cookie:

  • 1. Технические файлы cookie: необходимы для корректной работы Сайта и сервисов. Позволяют определять аппаратное и программное обеспечение устройства Пользователя; выявлять ошибки при работе Сайта; тестировать новые функции для повышения производительности.
  • 2. Аналитические файлы cookie: позволяют подсчитывать количество Пользователей; определять действия (посещаемые страницы, время и количество просмотров). Сбор данных осуществляется через партнеров, в том числе Google Analytics, Yandex Metrika.
  • 3. Рекламные файлы cookie: помогают анализировать, из каких источников Пользователь перешел на Сайт, а также персонализировать рекламные сообщения.

Срок хранения файлов cookie зависит от типа, но в любом случае не превышает срока, необходимого для достижения целей обработки персональных данных.

При посещении Сайта Оператор запрашивает согласие Пользователя на использование файлов cookie. Обработка данных осуществляется в целях улучшения работы Сайта и совершенствования сервисов. Настоящее согласие действует с момента предоставления и в течение всего периода использования Сайта.

В случае отказа от обработки данных я проинформирован о необходимости прекратить использование Сайта или отключить файлы cookie в настройках браузера.